Код товара:
KNF_SH 840 G
Артикул:
KNF_SH 840 G
Производитель:
KNF
По запросу
Сертификаты в наличии
Гарантия на продукцию
Проводим ремонт и обслуживание
Проводим монтаж и наладку
Возможность обучения персонала
Поставляем запчасти и комплектующие
Купить Вакуумная система KNF LABOPORT SH 840 G, 34 л/мин, вакуум до 6 мбар (Артикул SH 840 G) , а также получить консультацию специалистов об особенностях и преимуществах данного изделия вы можете в нашем магазине, связавшись с нами по телефонам: +7 (495) 798-29-98 или +7 (903) 798-29-98 или непосредственно через сайт – с помощью формы обратной связи.
Вакуумные системы KNF LABOPORT® SH комплектуются химически стойкими диафрагменным насосом, содержат две ловушки на стороне всасывания и нагнетания, а так же высокопроимзводительный конденсор на стороне нагнетания.
Для широкого лабораторного применения, где требуется постоянный вакуум.

Применение вакуумных систем:

- Процессы, требующие контроля вакуумирования;
- Вакуумная фильтрация, вакуумное дегазирование, ротационные испарители, гель-осушители.
- 100% безмасляный перенос - чистый перенос, откачка и сжатие газов
- Идеально подходит для чрезвычайно агрессивных / коррозионных газов и паров

Технические особенности вакуумных систем:

- Простота в использовании;
- Низкий уровень шума;
- Встроенный газобалластный клапан;
- 3-цветный дисплей состояния: работа/ожидание/ошибка;
- Встроенный регулятор скорости вращения;
- Экологически чистый.

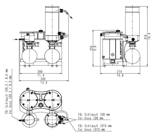
Вакуумная система KNF SH включает в себя:

- Насос
- Платформа
- Колба-сепаратор на входе
- Колба-сепаратор на выходе
- Высокопроимзводительный конденсор на выходе

Технические характеристики вакуумной системы KNF SH 840 G:

- Расход: 34 л/мин; 2,04 м3/час
- Вакуум: до 6 мбар;
- Диаметр штуцера на входе: 8-9,5 мм;
- Диаметр штуцера на выходе: 10 мм;
- Вес: 14,1 кг;
- Размеры: 340 x 416 x 274 мм
- Степень защиты IP30
- Мощность 100 Вт
- Базовая модель насоса: N 840 G

Материалы контактирующих с газом частей:
Головка насоса TFM ™ PTFE
Мембрана с покрытием PTFE
Клапаны FFPM
Отзывов: 0

Нет отзывов об этом товаре.

Вопросов: 0

Нет вопросов об этом товаре.

Доставка заказов осуществляется в любые регионы Российской Федерации и страны СНГ.

Цены на нашем сайте указаны с учетом НДС (20% либо 10%).

Оплата заказов производится только в безналичной форме на расчетный счет в рублях Российской Федерации на основании выставленного Счета.

Для бюджетных организаций и государственных структур предусмотрены особые условия оплаты.

Постоянным клиентам предоставляются скидки и индивидуальный порядок расчетов.

Внимание! В связи с нестабильным курсом валют и изменением цен у производителей, просим окончательную стоимость продукции уточнять у наших менеджеров.

Варианты доставки:

Самовывоз со склада в городе Клин

Адрес выдачи: Московская область, г. Клин, ул. Захватаева, д. 4, офис 101

Контактный телефон: +7 (977) 407-05-96

Доставка по Клину и Клинскому району – бесплатно

Доставка по Москве – 1 500 рублей

Доставка любыми транспортными компаниями, службами экспресс-доставки. Стоимость рассчитывается индивидуально для каждого заказа в соответствии с установленными тарифами транспортной компании. Все грузы застрахованы.

Товары из той же категории

Компания "КомплектСнаб является официальным поставщиком от производителя KNF. Вы всегда можете получить бесплатную консультацию по продукции, получить КП и задать вопросы по подбору аналогов продукции.